IT
EN
DE
FR
ES
Un'azienda di Bonomi Group
Home
contatti
Downloads
prodotti
Garanzia Turbo
Sostenibilità
IT
EN
DE
FR
ES
CATALOGO
/
SISTEMA PRESSFITTING
/
SISTEMA PRESSFITTING PROFILO M DI ACCIAIO AL CARBONIO
/
CMF92Q
SISTEMA PRESSFITTING PROFILO M DI ACCIAIO AL CARBONIO
CMF92Q
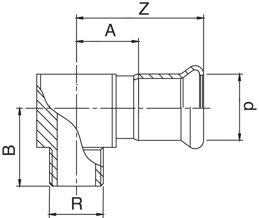
Gomito femmina filettato maschio.
Specifiche tecniche
d x R
BAG
MASTER BOX
CODICE
A
B
Z
15 x 3/8"
5
80
CMF92QA38015000
24
24
43
15 x 1/2"
5
80
CMF92QA12015000
25,5
28
44,5
18 x 1/2"
5
80
CMF92QA12018000
24,5
28
43,5
18 x 3/4"
10
50
CMF92QA34018000
27
30
46
22 x 3/4"
5
50
CMF92QA34022000
29,5
33
48,5
Applicazioni
Video e media disponibili
Catalogo
Listino
Depliant Frabopress
FRABOPRESS - Raccordi a pressare di Rubinetterie Bresciane - Fra.bo Division
Torna al catalogo