IT
EN
DE
FR
ES
Un'azienda di Bonomi Group
Home
contatti
Downloads
prodotti
Garanzia Turbo
Sostenibilità
IT
EN
DE
FR
ES
CATALOGO
/
RACCORDI A SALDARE
/
RACCORDI IN BRONZO A SALDARE
/
B4340B
RACCORDI IN BRONZO A SALDARE
B4340B
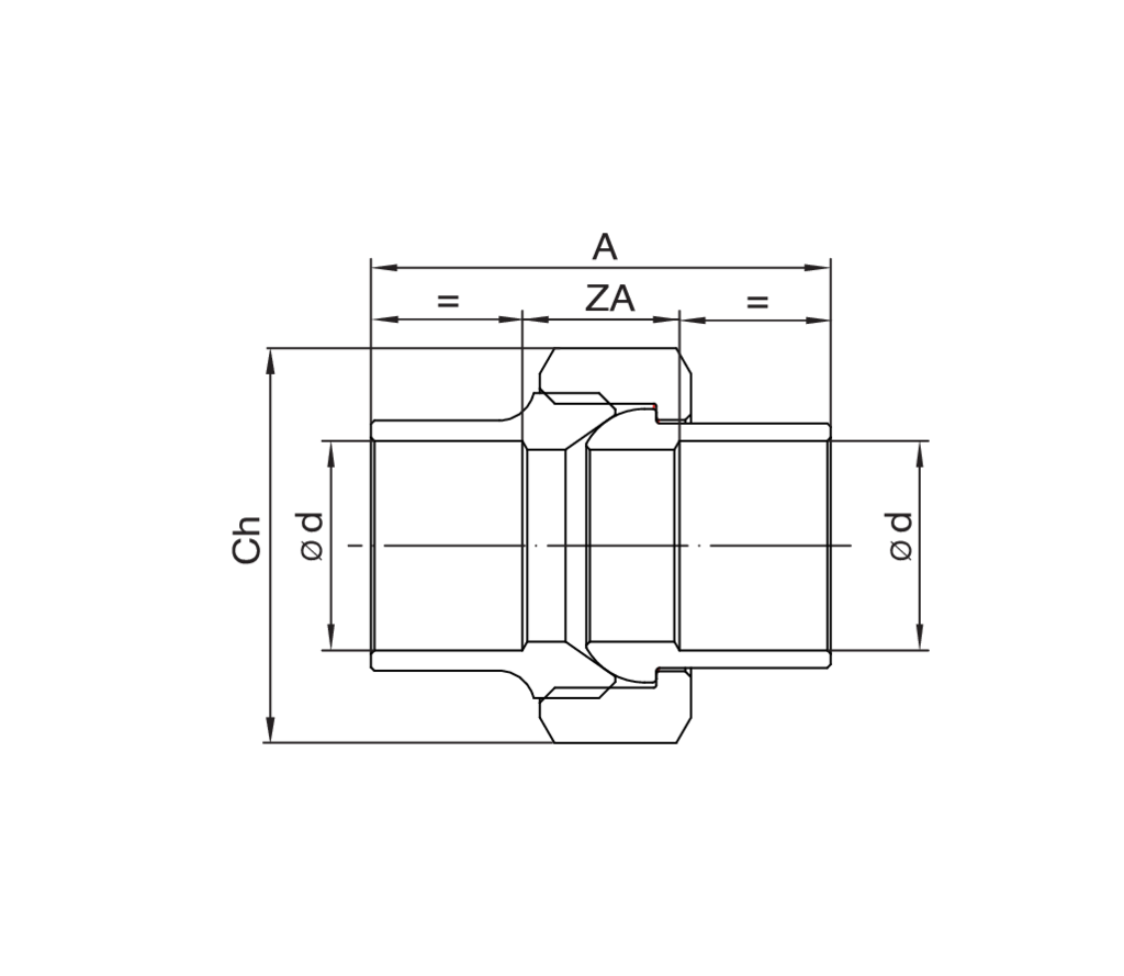
Bocchettone femmina a sede conica.
Specifiche tecniche
Ød x Ød
BAG
MASTER BOX
CODICE
A
ZA
Ch
12 x 12
10
150
B4340B012012000
36
14,1
30
14 x 14
10
150
B4340B014014000
36,1
14,1
30
15 x 15
10
150
B4340B015015000
36
14,1
30
16 x 16
10
150
B4340B016016000
38
14
30
18 x 18
10
100
B4340B018018000
39,5
13,5
30
22 x 22
10
80
B4340B022022000
45,2
13,2
37
28 x 28
5
50
B4340B028028000
52
15,4
40
35 x 35
5
30
B4340B035035000
69,3
17,3
52
42 x 42
1
15
B4340B042042000
76,3
20,3
64
54 x 54
1
5
B4340B054054000
90,8
22,8
82
Applicazioni
Video e media disponibili
Catalogo
Listino
Manuale tecnico raccordi a saldare
Torna al catalogo