IT
EN
DE
FR
ES
Un'azienda di Bonomi Group
Home
contatti
Downloads
prodotti
Garanzia Turbo
Sostenibilità
IT
EN
DE
FR
ES
CATALOGO
/
RACCORDI A SALDARE
/
RACCORDI IN BRONZO A SALDARE
/
B4098O
RACCORDI IN BRONZO A SALDARE
B4098O
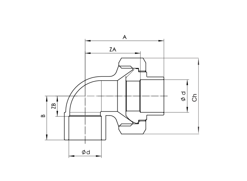
Bocchettone curvo femmina a sede piana filettato maschio.
Specifiche tecniche
Ød x R
BAG
MASTER BOX
CODICE
A
B
ZA
ZB
I
Ch
28 x 1"
5
30
B4098OB01028000
69,2
35,4
56,5
16,4
12,7
46
Applicazioni
Video e media disponibili
Catalogo
Listino
Manuale tecnico raccordi a saldare
Torna al catalogo