IT
EN
DE
FR
ES
Un'azienda di Bonomi Group
Home
contatti
Downloads
prodotti
Garanzia Turbo
Sostenibilità
IT
EN
DE
FR
ES
CATALOGO
/
RACCORDI A SALDARE
/
RACCORDI IN BRONZO A SALDARE
/
B4096G
RACCORDI IN BRONZO A SALDARE
B4096G
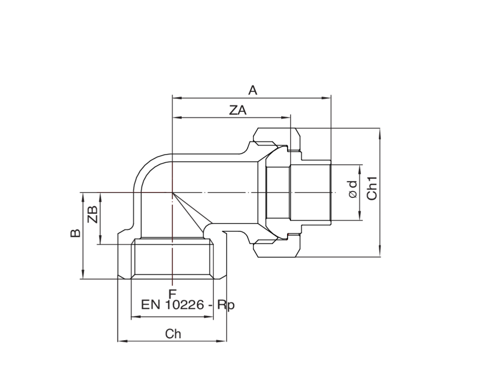
Bocchettone curvo femmina a sede conica filettato femmina.
Specifiche tecniche
Ød x F
BAG
MASTER BOX
CODICE
A
B
ZA
ZB
Ch
Ch1
10 x 3/8"
10
100
B4096GA38010000
35,4
27,9
17,9
8,2
24
22
12 x 3/8"
10
100
B4096GA38012000
38,5
29,5
17,9
8,2
24
22
12 x 1/2"
10
100
B4096GA12012000
38,1
24
28,1
9,2
27
26
14 x 1/2"
10
80
B4096GA12014000
42,6
25,5
31,6
14,3
30
26
15 x 3/8"
10
100
B4096GA38015000
42,1
31,1
17,9
9,2
30
22
15 x 1/2"
5
80
B4096GA12015000
46,5
24
35,5
15,7
30
26
16 x 1/2"
10
80
B4096GA12016000
44,6
25,5
32,6
14,8
30
26
18 x 1/2"
10
100
B4096GA12018000
43,9
24,5
30,9
15,7
30
26
18 x 3/4"
5
50
B4096GA34018000
51,1
28
38,1
16,8
37
31
22 x 3/4"
10
50
B4096GA34022000
54,2
28
38,2
16,8
37
31
22 x 1"
5
30
B4096GB01022000
56,5
33,9
40,5
23,2
46
40
28 x 1"
5
40
B4096GB01028000
60,8
43,7
41,3
27
46
40
Applicazioni
Video e media disponibili
Catalogo
Listino
Manuale tecnico raccordi a saldare
Torna al catalogo