IT
EN
DE
FR
ES
Un'azienda di Bonomi Group
Home
contatti
Downloads
prodotti
Garanzia Turbo
Sostenibilità
IT
EN
DE
FR
ES
CATALOGO
/
RACCORDI FILETTATI
/
RACCORDI FILETTATI DI OTTONE
/
OT5515
RACCORDI FILETTATI DI OTTONE
OT5515
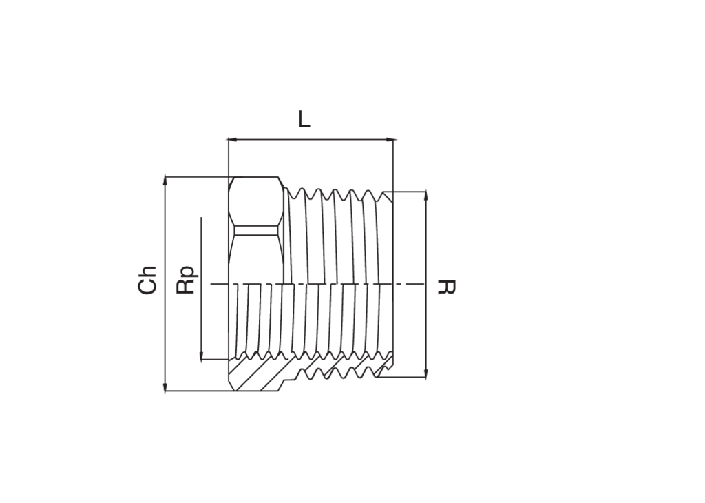
Manicotto riduzione filettato maschio-femmina.
Specifiche tecniche
Rp x R
BAG
MASTER BOX
CODICE
L min
Ch
1/8" x 1/4"
10
600
OT5515A14A18000
14
14
1/8" x 3/8"
10
100
OT5515A38A18000
16
17
1/8" x 1/2"
25
100
OT5515A12A18000
18
21
1/4" x 3/8"
10
500
OT5515A38A14000
16
17
1/4" x 1/2"
10
400
OT5515A12A14000
18
21
1/4" x 3/4"
10
200
OT5515A34A14000
21
27
3/8" x 1/2"
10
400
OT5515A12A38000
18
21
3/8" x 3/4"
10
200
OT5515A34A38000
21
27
3/8" x 1"
10
100
OT5515B01A38000
25
34
1/2" x 3/4"
10
250
OT5515A34A12000
20
27
1/2" x 1"1/4
10
60
OT5515B14A12000
23
34
1/2" x 1"1/2
10
50
OT5515B12A12000
30
48
1/2" x 2"
5
30
OT5515C02A12000
37
60
3/4" x 1"
10
150
OT5515B01A34000
25
34
3/4" x 1"1/4
5
70
OT5515B14A34000
28
42
3/4" x 1"1/2
5
50
OT5515B12A34000
30
48
3/4" x 2"
5
30
OT5515C02A34000
37
60
1" x 1/2"
10
150
OT5515A12B01000
18
34
1" x 1"1/4
5
80
OT5515B14B01000
28
42
1" x 1"1/2
5
60
OT5515B12B01000
30
48
1" x 2"
5
30
OT5515C02B01000
37
60
1"1/4 x 1"1/2
5
70
OT5515B12B14000
30
48
1"1/4 x 2"
5
30
OT5515C02B14000
37
60
1"1/2 x 2"
5
40
OT5515C02B12000
37
60
2" x 3"
1
10
OT5515D03C02000
52
95
2"1/2 x 2"
5
20
OT5515C02C12000
41
76
2"1/2 x 3"
1
10
OT5515D03C12000
62
95
Applicazioni
Video e media disponibili
Catalogo
Listino
Torna al catalogo