IT
EN
DE
FR
ES
Un'azienda di Bonomi Group
Home
contatti
Downloads
prodotti
Garanzia Turbo
Sostenibilità
IT
EN
DE
FR
ES
CATALOGO
/
RACCORDI A SALDARE
/
RAME A SALDARE IN CUFE2P POLAR
/
5P5130
RAME A SALDARE IN CUFE2P POLAR
5P5130
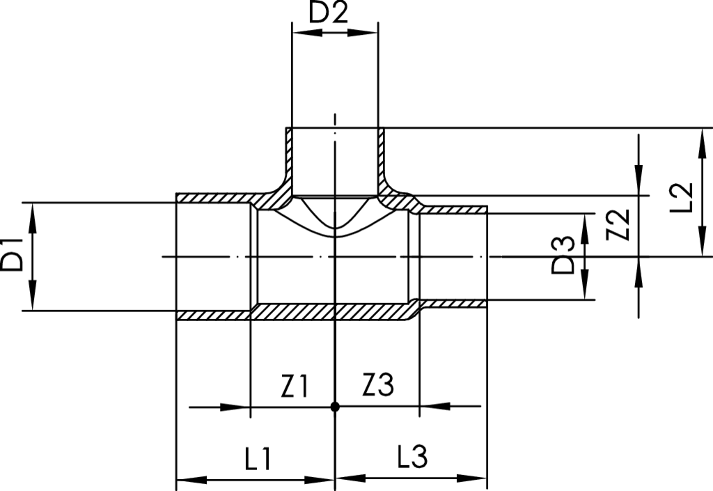
Raccordo a T femmina ridotto laterale.
Specifiche tecniche
d1 x d2 x d3
BAG
MASTER BOX
CODICE
L1
Z1
L2
Z2
L3
Z3
1/2" x 3/8" x 3/8"
10
400
5P5130A12A38A38
20,5
10,5
21,5
13,5
17
9
5/8" x 1/2" x 1/2"
5
250
5P5130A58A12A12
23,5
12,5
22,5
12,5
19
9
1"1/8 x 1/2" x 7/8"
5
50
5P5130B18A12A78
36
19,5
36
19,5
30
20
Applicazioni
Video e media disponibili
Catalogo
Listino
Depliant Frabo Polar
Torna al catalogo