IT
EN
DE
FR
ES
Un'azienda di Bonomi Group
Home
contatti
Downloads
prodotti
Garanzia Turbo
Sostenibilità
IT
EN
DE
FR
ES
CATALOGO
/
RACCORDI A SALDARE
/
RAME A SALDARE IN CUFE2P POLAR
/
5P5130
RAME A SALDARE IN CUFE2P POLAR
5P5130
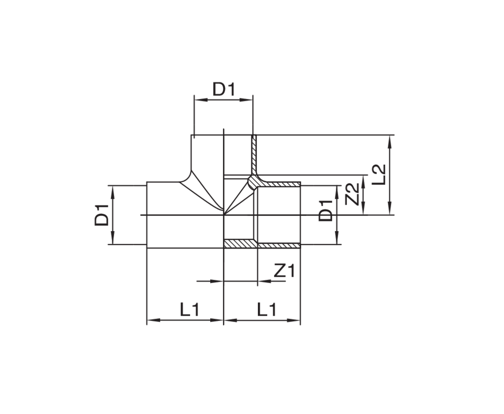
Raccordo a T femmina.
Specifiche tecniche
d1
BAG
MASTER BOX
CODICE
L1
Z1
L2
Z2
3/8"
10
450
5P5130A38A38A38
16
5
16
6,5
1/2"
10
400
5P5130A12A12A12
20,5
8
21
11
5/8"
5
250
5P5130A58A58A58
24,5
13,5
22,5
11,5
3/4"
5
250
5P5130A34A34A34
26
11,5
27
13,5
7/8"
5
150
5P5130A78A78A78
32
14,5
31,5
15
1"1/8
5
50
5P5130B18B18B18
36
19,5
36
19,5
1"3/8
5
30
5P5130B38B38B38
45
23
45
23
1"5/8
1
20
5P5130B58B58B58
48
26
48
26
2"1/8
1
12
5P5130C18C18C18
62,5
34,5
63,5
36,5
Applicazioni
Video e media disponibili
Catalogo
Listino
Depliant Frabo Polar
Torna al catalogo