IT
EN
DE
FR
ES
Un'azienda di Bonomi Group
Home
contatti
Downloads
prodotti
Garanzia Turbo
Sostenibilità
IT
EN
DE
FR
ES
CATALOGO
/
RACCORDI A SALDARE
/
RAME A SALDARE IN CUFE2P POLAR
/
5P5001
RAME A SALDARE IN CUFE2P POLAR
5P5001
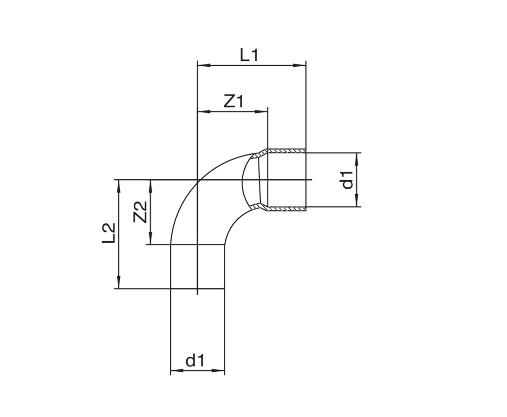
Curva 90° maschio-femmina.
Specifiche tecniche
d1
BAG
MASTER BOX
CODICE
L1
Z1
L2
Z2
3/8"
10
500
5P5001A38A38000
20,5
12,5
22,5
12,5
1/2"
10
300
5P5001A12A12000
26
16
28,5
16,5
5/8"
5
250
5P5001A58A58000
31,5
20,5
33,5
20,5
3/4"
5
250
5P5001A34A34000
38,5
25
38,5
23
7/8"
5
125
5P5001A78A78000
45,5
29
47,5
29
1"1/8
5
60
5P5001B18B18000
59,5
43
57,5
37
1"3/8
5
25
5P5001B38B38000
74,50
52,5
76,5
52,5
1"5/8
1
20
5P5001B58B58000
84
62
86
62
2"1/8
1
12
5P5001C18C18000
122,5
94,5
124,5
94,5
Applicazioni
Video e media disponibili
Catalogo
Listino
Depliant Frabo Polar
Torna al catalogo