IT
EN
DE
FR
ES
Un'azienda di Bonomi Group
Home
contatti
Downloads
prodotti
Garanzia Turbo
Sostenibilità
IT
EN
DE
FR
ES
CATALOGO
/
RACCORDI A SALDARE
/
RAME A SALDARE A SPESSORE MAGGIORATO
/
RG5240
RAME A SALDARE A SPESSORE MAGGIORATO
RG5240
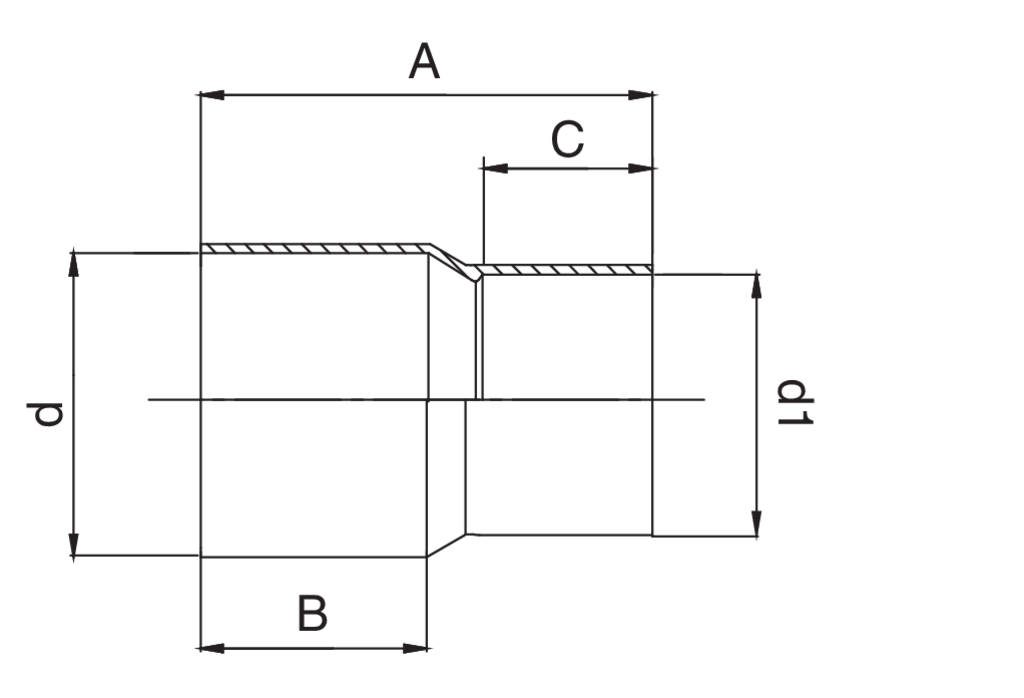
Manicotto di riduzione femmina.
Specifiche tecniche
d x d1
BAG
MASTER BOX
CODICE
A
B min
C min
28 x 22
10
200
RG5240028022000
45
18,4
15,4
35 x 22
10
200
RG5240035022000
52
23
15,4
35 x 28
10
150
RG5240035028000
57
23
18,4
42 x 22
5
100
RG5240042022000
59
27
15,4
42 x 28
5
100
RG5240042028000
60
27
18,4
42 x 35
5
100
RG5240042035000
61
27
23
54 x 35
5
70
RG5240054035000
79
32
23
54 x 42
5
70
RG5240054042000
75
32
27
Applicazioni
Video e media disponibili
Catalogo
Listino
Manuale tecnico raccordi a saldare
Torna al catalogo