IT
EN
DE
FR
ES
Un'azienda di Bonomi Group
Home
contatti
Downloads
prodotti
Garanzia Turbo
Sostenibilità
IT
EN
DE
FR
ES
CATALOGO
/
RACCORDI A SALDARE
/
RAME A SALDARE A SPESSORE MAGGIORATO
/
RG5130
RAME A SALDARE A SPESSORE MAGGIORATO
RG5130
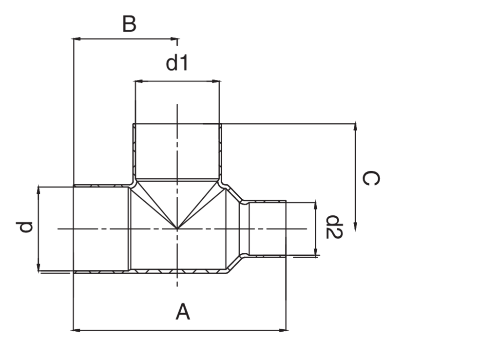
Raccordo a T femmina ridotto laterale.
Specifiche tecniche
d x d1 x d2
BAG
MASTER BOX
CODICE
A
B
C
28 x 22 x 22
5
50
RG5130028022022
67
32
33
28 x 28 x 22
10
100
RG5130028028022
70
35
35
35 x 22 x 22
5
80
RG5130035022022
72
36
35
35 x 28 x 28
5
20
RG5130035028028
76
38
38
35 x 35 x 28
5
20
RG5130035035028
87
43
44
42 x 28 x 35
5
50
RG5130042028035
85
43
42
42 x 35 x 35
5
20
RG5130042035035
94
47
48
54 x 35 x 42
1
10
RG5130054035042
102
51
52
54 x 42 x 42
1
10
RG5130054042042
110
55
56
54 x 54 x 42
1
15
RG5130054054042
126
61
62
Applicazioni
Video e media disponibili
Catalogo
Listino
Manuale tecnico raccordi a saldare
Torna al catalogo