IT
EN
DE
FR
ES
Un'azienda di Bonomi Group
Home
contatti
Downloads
prodotti
Garanzia Turbo
Sostenibilità
IT
EN
DE
FR
ES
CATALOGO
/
SISTEMA PRESSFITTING
/
SISTEMA PRESSFITTING PROFILO M DI ACCIAIO INOSSIDABILE
/
MXF90L
SISTEMA PRESSFITTING PROFILO M DI ACCIAIO INOSSIDABILE
MXF90L
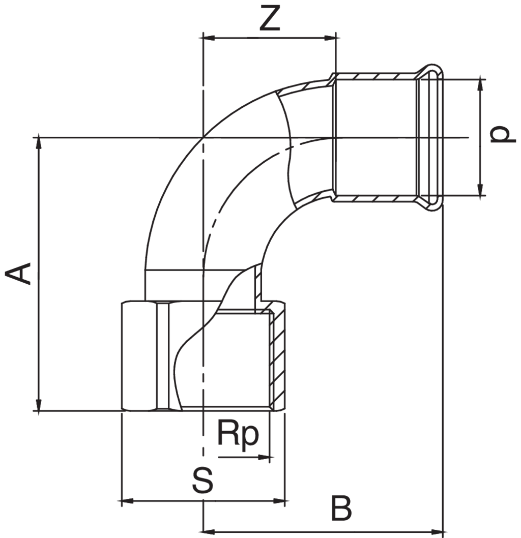
Gomito 90° con filettatura femmina.
Specifiche tecniche
d x Rp
BAG
MASTER BOX
CODICE
A
B
S
Z
15 x 1/2"
5
30
MXF90LA12015000
42
45
24
23,5
18 x 1/2"
5
30
MXF90LA12018000
45
49
24
26,5
22 x 1/2"
5
30
MXF90LA12022000
45
49
24
26,5
22 x 3/4"
5
50
MXF90LA34022000
51
54
30
30,5
28 x 1"
5
15
MXF90LB01028000
61
63
36
38,5
35 x 1"1/4
1
10
MXF90LB14035000
69
74
50
48,5
Applicazioni
Video e media disponibili
Catalogo
Listino
Depliant Frabopress
FRABOPRESS - Raccordi a pressare di Rubinetterie Bresciane - Fra.bo Division
Torna al catalogo