IT
EN
DE
FR
ES
Un'azienda di Bonomi Group
Home
contatti
Downloads
prodotti
Garanzia Turbo
Sostenibilità
IT
EN
DE
FR
ES
CATALOGO
/
SISTEMA PRESSFITTING
/
SISTEMA PRESSFITTING PROFILO M DI ACCIAIO INOSSIDABILE
/
MXF472
SISTEMA PRESSFITTING PROFILO M DI ACCIAIO INOSSIDABILE
MXF472
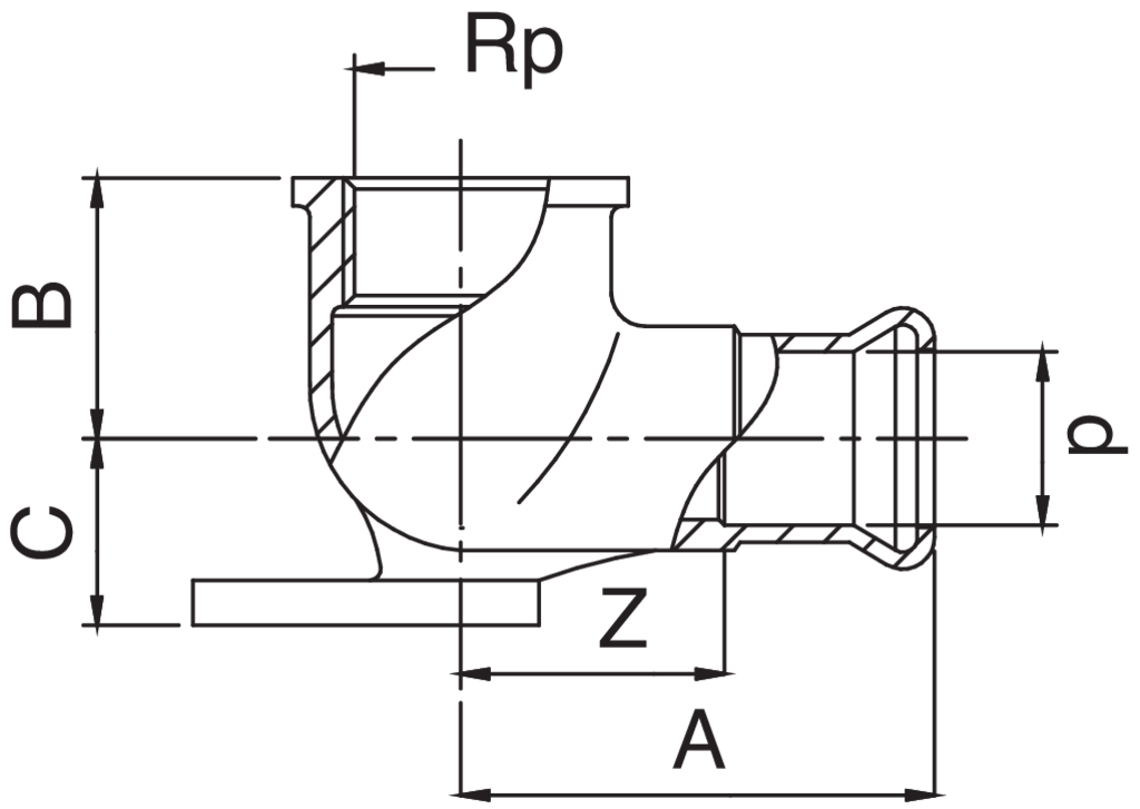
Gomito femmina filettato femmina con flangia.
Specifiche tecniche
d x Rp
BAG
MASTER BOX
CODICE
A
B
C
ZA
15 x 1/2"
5
70
MXF472A12015000
38
31
12
18
18 x 1/2"
5
50
MXF472A12018000
38
31
12
18
22 x 1/2"
5
30
MXF472A12022000
48
32
13
25,5
22 x 3/4"
5
40
MXF472A34022000
43
33
38
22
28 x 1"
5
10
MXF472B01028000
56
38
21
33,5
Applicazioni
Video e media disponibili
Catalogo
Listino
Depliant Frabopress
FRABOPRESS - Raccordi a pressare di Rubinetterie Bresciane - Fra.bo Division
Torna al catalogo
Prodotti correlati / Accessori
ZXF472
Slide 1 of 1.