IT
EN
DE
FR
ES
Un'azienda di Bonomi Group
Home
contatti
Downloads
prodotti
Garanzia Turbo
Sostenibilità
IT
EN
DE
FR
ES
CATALOGO
/
SISTEMA PRESSFITTING
/
SISTEMA PRESSFITTING PROFILO M DI ACCIAIO INOSSIDABILE
/
MXF130
SISTEMA PRESSFITTING PROFILO M DI ACCIAIO INOSSIDABILE
MXF130
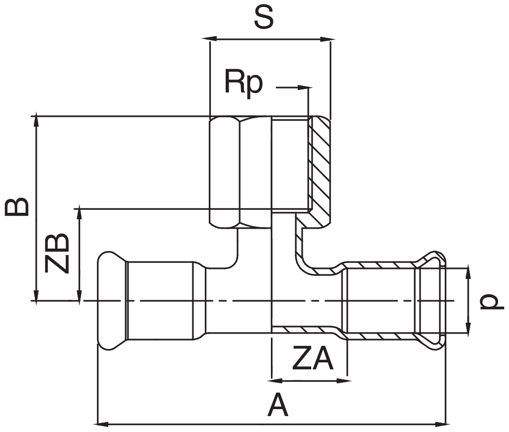
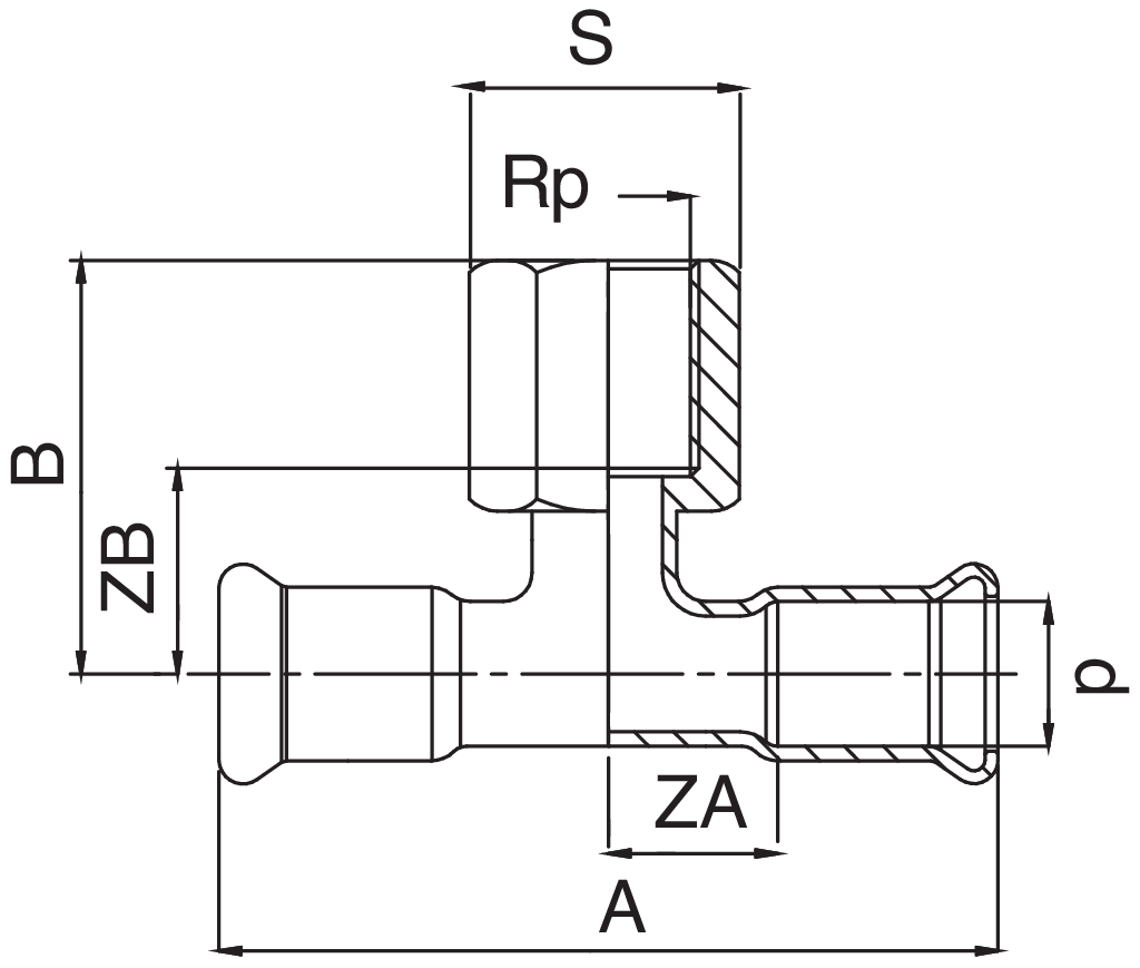
Raccordo a T femmina filettato femmina.
Specifiche tecniche
d x Rp
BAG
MASTER BOX
CODICE
A
B
S
ZA
ZB
15 x 1/2"
5
50
MXF130015A12015
68
40
24
15
25
18 x 1/2"
5
30
MXF130018A12018
69,5
42
24
15,25
27
18 x 3/4"
5
25
MXF130018A34018
69,5
38
30
15,25
22
22 x 1/2"
5
25
MXF130022A12022
82
44
24
20
29
22 x 3/4"
5
25
MXF130022A34022
82
44,5
30
20
28,2
28 x 1/2"
5
25
MXF130028A12028
89
48
24
22,5
33
28 x 3/4"
5
15
MXF130028A34028
89
48,5
30
22,5
32,2
28 x 1"
5
15
MXF130028B01028
89
46
38
22,5
27
35 x 1/2"
5
10
MXF130035A12035
102107
50,5
24
26,5
35,5
35 x 3/4"
1
10
MXF130035A34035
107
51
30
26,5
34,7
35 x 1"1/4
1
5
MXF130035B14035
107
47
50
26,5
28
42 x 1/2"
1
5
MXF130042A12042
117
54
24
28,5
39
42 x 3/4"
1
5
MXF130042A34042
117
54,5
30
28,5
38,5
42 x 1"1/2
1
5
MXF130042B12042
117
50,5
54
28,5
31,5
54 x 1/2"
1
5
MXF130054A12054
144,5
60
24
37,25
45
54 x 3/4"
1
5
MXF130054A34054
144,5
60,5
30
37,25
44,2
54 x 2"
1
4
MXF130054C02054
144,5
72
65
37,25
46,3
Applicazioni
Video e media disponibili
Catalogo
Listino
Depliant Frabopress
FRABOPRESS - Raccordi a pressare di Rubinetterie Bresciane - Fra.bo Division
Torna al catalogo
Prodotti correlati / Accessori
AXF130
Slide 1 of 1.