IT
EN
DE
FR
ES
Un'azienda di Bonomi Group
Home
contatti
Downloads
prodotti
Garanzia Turbo
Sostenibilità
IT
EN
DE
FR
ES
CATALOGO
/
SISTEMA PRESSFITTING
/
SISTEMA PRESSFITTING PROFILO M DI ACCIAIO INOSSIDABILE
/
AX0273
SISTEMA PRESSFITTING PROFILO M DI ACCIAIO INOSSIDABILE
AX0273
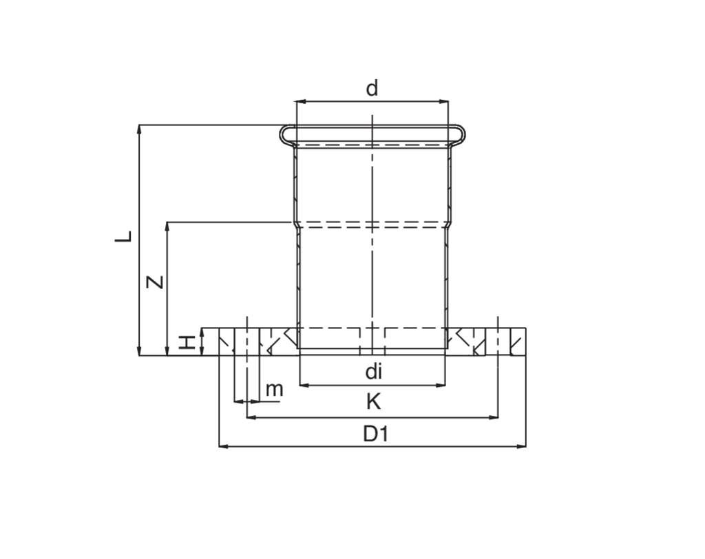
Manicotto femmina flangiato PN10/16.
Specifiche tecniche
d
BAG
MASTER BOX
CODICE
D1
H
H1
M
76,1
1
3
AX0273076000000
185
18
18
18
88,9
1
2
AX0273089000000
200
147
20
18
108
1
2
AX0273108000000
220
167
20
18
Applicazioni
Video e media disponibili
Catalogo
Listino
Depliant Frabopress
FRABOPRESS - Raccordi a pressare di Rubinetterie Bresciane - Fra.bo Division
Torna al catalogo
Prodotti correlati / Accessori
MX0273
ZX0273
Slide 1 of 2.