IT
EN
DE
FR
ES
Un'azienda di Bonomi Group
Home
contatti
Downloads
prodotti
Garanzia Turbo
Sostenibilità
IT
EN
DE
FR
ES
CATALOGO
/
SISTEMA PRESSFITTING
/
SISTEMA PRESSFITTING PROFILO M DI ACCIAIO INOSSIDABILE
/
AX0243
SISTEMA PRESSFITTING PROFILO M DI ACCIAIO INOSSIDABILE
AX0243
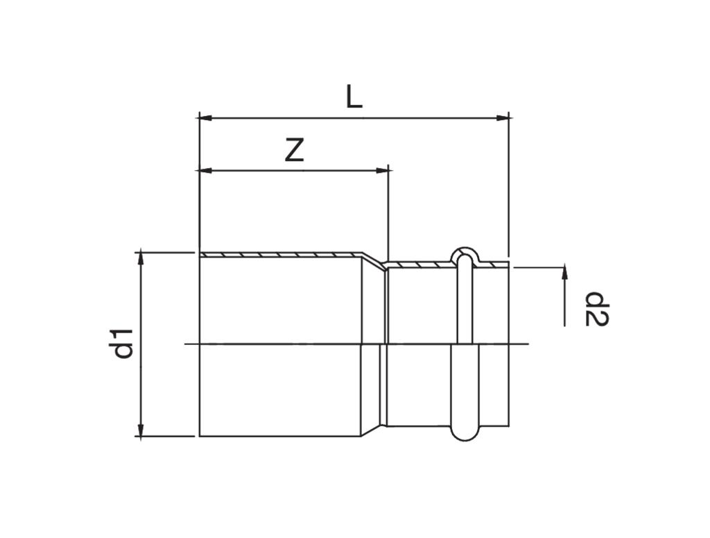
Riduzione maschio-femmina.
Specifiche tecniche
d1 x d2
BAG
MASTER BOX
CODICE
L
Z
76,1 x 42*
1
10
AX0243076042000
149,5
108,5
76,1 x 54*
1
10
AX0243076054000
152,5
107,5
88,9 x 54*
1
4
AX0243089054000
194
149
108 x 54*
1
6
AX0243108054000
260
215
*
Profilo V.
Applicazioni
Video e media disponibili
Catalogo
Listino
Depliant Frabopress
FRABOPRESS - Raccordi a pressare di Rubinetterie Bresciane - Fra.bo Division
Torna al catalogo