IT
EN
DE
FR
ES
Un'azienda di Bonomi Group
Home
contatti
Downloads
prodotti
Garanzia Turbo
Sostenibilità
IT
EN
DE
FR
ES
CATALOGO
/
SISTEMA PRESSFITTING
/
SISTEMA PRESSFITTING PROFILO M DI ACCIAIO INOSSIDABILE
/
AX0001
SISTEMA PRESSFITTING PROFILO M DI ACCIAIO INOSSIDABILE
AX0001
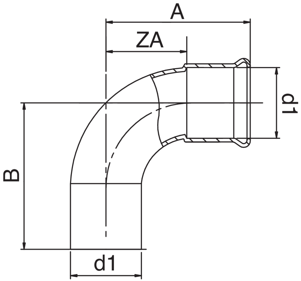
Curva 90° maschio-femmina.
Specifiche tecniche
d1
BAG
MASTER BOX
CODICE
A
B
ZA
76,1
1
5
AX0001076076000
148
154
93
88,9
1
4
AX0001089089000
174
190
111
108
1
2
AX0001108108000
215
238
138
*
Profilo M.
Applicazioni
Video e media disponibili
Catalogo
Listino
Depliant Frabopress
FRABOPRESS - Raccordi a pressare di Rubinetterie Bresciane - Fra.bo Division
Torna al catalogo
Prodotti correlati / Accessori
MX0001
ZX0001
Slide 1 of 2.