FR
IT
EN
DE
ES
Une entreprise du Bonomi Group
Home
Contacts
Downloads
Products
Soutenabilité
IT
EN
DE
FR
ES
CATALOGUE
/
SISTEMA PRESSFITTING
/
RACCORDS A SERTIR A PROFILE M EN ACIER AU CARBONE GALVANISE
/
ACF270
RACCORDS A SERTIR A PROFILE M EN ACIER AU CARBONE GALVANISE
ACF270
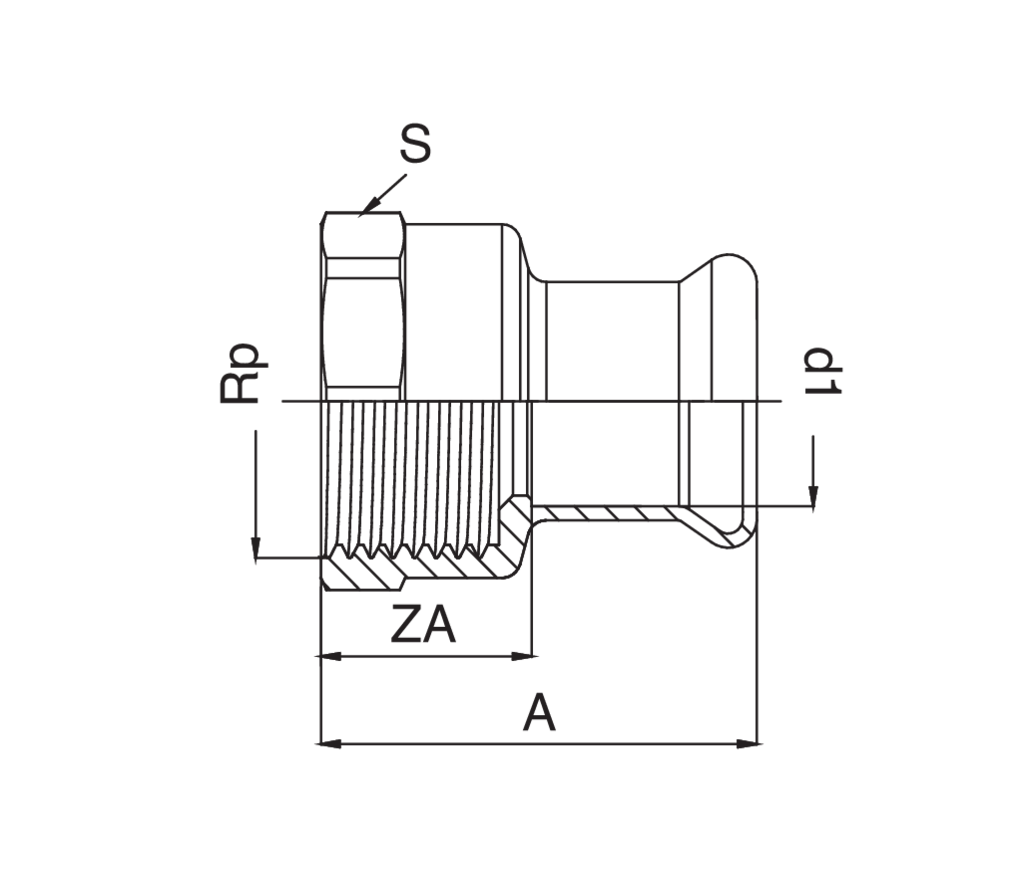
Manchon F/filetage femelle.
Spécifications techniques
d x Rp
BAG
MASTER BOX
CODE
I
L
S
ZA
76,1 x 2"1/2
1
8
ACF270C12076000
55
114
86
59
Applications
Médias et vidéos disponibles
Liste de prix
Catalogue
Depliant Frabopress
FRABOPRESS - Raccordi a pressare di Rubinetterie Bresciane - Fra.bo Division
Retour au catalogue
Produits connexes / Accessoires
CMF270
Slide 1 of 1.