FR
IT
EN
DE
ES
Une entreprise du Bonomi Group
Home
Contacts
Downloads
Products
Soutenabilité
IT
EN
DE
FR
ES
CATALOGUE
/
RACCORDS A SERTIR
/
RACCORDS A SERTIR A PROFILE V EN CUIVRE ET EN BRONZE
/
RZ9130
RACCORDS A SERTIR A PROFILE V EN CUIVRE ET EN BRONZE
RZ9130
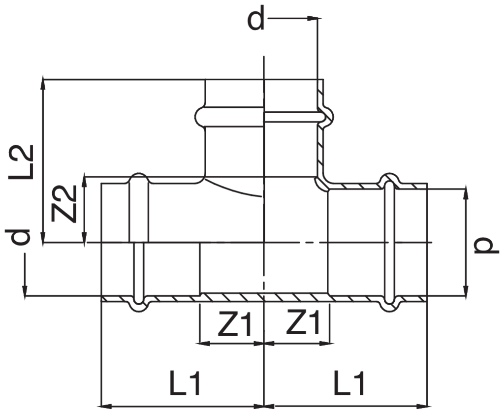
Té F/F/F en cuivre.
Spécifications techniques
d
BAG
MASTER BOX
CODE
L1
L2
Z1
Z2
12
10
150
RZ9130012012012
29
29
11
11
14
10
100
RZ9130014014014
41
33
19
11
15
10
100
RZ9130015015015
41
33
19
11
16
10
100
RZ9130016016016
41
33
19
11
18
10
80
RZ9130018018018
42
35
19
12
22
5
40
RZ9130022022022
45
39
21
15
28
5
35
RZ9130028028028
48
46
23
21
35
5
20
RZ9130035035035
53
48
27
22
42
1
10
RZ9130042042042
65
65
29
29
54
1
10
RZ9130054054054
75
75
35
35
The big-size, item RR9130, is available.
Applications
Médias et vidéos disponibles
Liste de prix
Catalogue
Depliant Frabopress
Retour au catalogue
Produits connexes / Accessoires
RR9130
Slide 1 of 1.