FR
IT
EN
DE
ES
Une entreprise du Bonomi Group
Home
Contacts
Downloads
Products
Soutenabilité
IT
EN
DE
FR
ES
CATALOGUE
/
RACCORDS A SERTIR
/
RACCORDS A SERTIR A PROFILE V EN CUIVRE ET EN BRONZE
/
RS8244
RACCORDS A SERTIR A PROFILE V EN CUIVRE ET EN BRONZE
RS8244
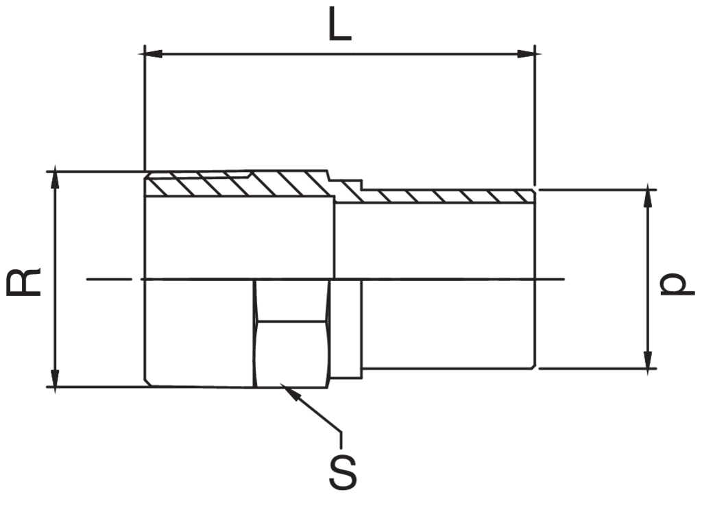
Manchon M/filetage mâle en bronze.
Spécifications techniques
d x R
BAG
MASTER BOX
CODE
L
S
12 x 1/2"
10
200
RS8244A12012000
46
21
15 x 1/2"
10
200
RS8244A12015000
49
21
18 x 1/2"
10
150
RS8244A12018000
50
21
18 x 3/4"
10
100
RS8244A34018000
53
27
22 x 1/2"
10
100
RS8244A12022000
51
25
22 x 3/4"
10
100
RS8244A34022000
54
27
28 x 1"
5
50
RS8244B01028000
57
34
35 x 1"1/4
5
40
RS8244B14035000
64
42
42 x 1"1/2
5
25
RS8244B12042000
74
48
54 x 2"
1
10
RS8244C02054000
81
60
Applications
Médias et vidéos disponibles
Liste de prix
Catalogue
Retour au catalogue