FR
IT
EN
DE
ES
Une entreprise du Bonomi Group
Home
Contacts
Downloads
Products
Soutenabilité
IT
EN
DE
FR
ES
CATALOGUE
/
RACCORDS A SERTIR
/
RACCORDS A SERTIR A PROFILE M EN CUIVRE ET EN BRONZE
/
ZM9130
RACCORDS A SERTIR A PROFILE M EN CUIVRE ET EN BRONZE
ZM9130
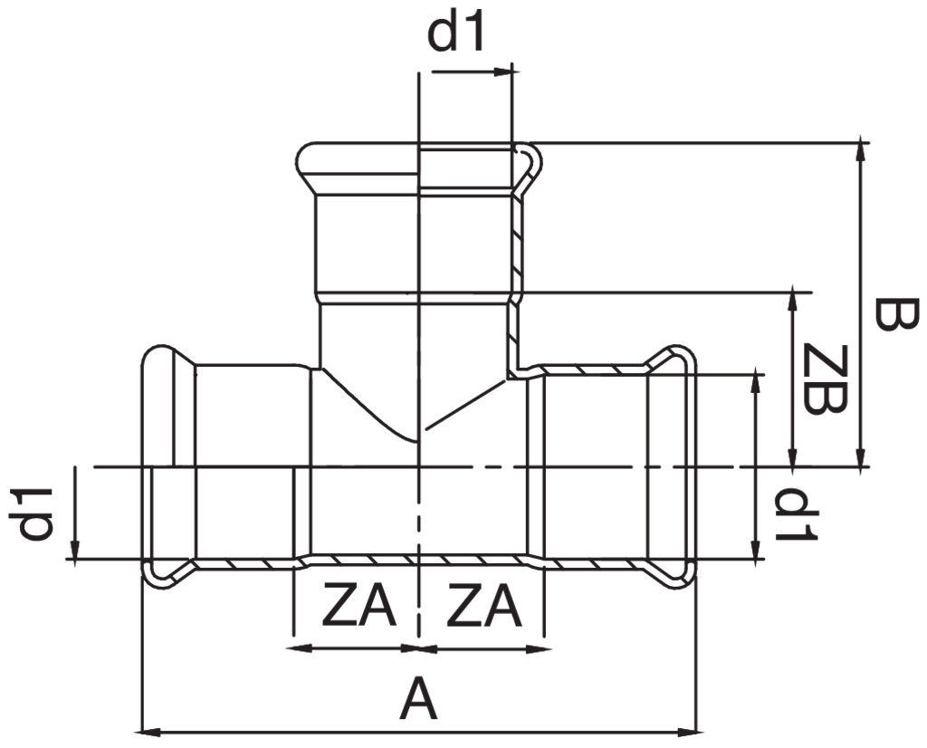
Té F/F/F en cuivre.
Spécifications techniques
d1
BAG
MASTER BOX
CODE
A
B
ZA
ZB
12
10
150
ZM9130012012012
56
28
10
10
15
10
100
ZM9130015015015
64
32
12
12
18
10
80
ZM9130018018018
68
34
14
14
22
5
40
ZM9130022022022
74
37
14
14
28
5
35
ZM9130028028028
84
42
19
19
35
5
20
ZM9130035035035
100
50
24
24
42
1
10
ZM9130042042042
116
58
28
28
54
1
10
ZM9130054054054
138
69
34
34
Applications
Médias et vidéos disponibles
Liste de prix
Catalogue
Depliant Frabopress
BIM FILE - Piping Systems - Press M Copper Bronze M3 000001
BIM FILE - Piping Systems - Press M Copper Bronze M3 000001
Retour au catalogue
Produits connexes / Accessoires
RR9130
Slide 1 of 1.