FR
IT
EN
DE
ES
Une entreprise du Bonomi Group
Home
Contacts
Downloads
Products
Soutenabilité
IT
EN
DE
FR
ES
CATALOGUE
/
RACCORDS A SERTIR
/
RACCORDS A SERTIR A PROFILE M EN CUIVRE ET EN BRONZE
/
ZM8471
RACCORDS A SERTIR A PROFILE M EN CUIVRE ET EN BRONZE
ZM8471
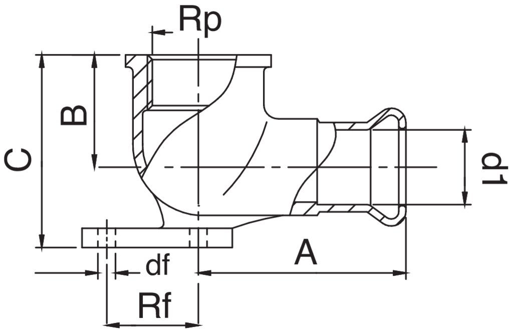
Applique coude 90° F/filetage femelle en bronze.
Spécifications techniques
d1 x Rp
BAG
MASTER BOX
CODE
A
B
C
df
Rf
12 x 1/2"
10
80
ZM8471A12012000
40
22
34
4,2
16
15 x 1/2"
10
80
ZM8471A12015000
40
24
34
4,2
16
18 x 1/2"
5
70
ZM8471A12018000
40
24
38
4,2
16
22 x 3/4"
5
40
ZM8471A34022000
48
26
46
4,2
18
Applications
Médias et vidéos disponibles
Liste de prix
Catalogue
Depliant Frabopress
BIM FILE - Piping Systems - Press M Copper Bronze M3 000001
BIM FILE - Piping Systems - Press M Copper Bronze M3 000001
Retour au catalogue