ES
IT
EN
DE
FR
Una empresa de Bonomi Group
Home
Contacts
Downloads
Products
Sostenibilidad
IT
EN
DE
FR
ES
CATÁLOGO
/
SISTEMA PRESSFITTING
/
RACORES PARA PRENSAR PERFIL M DE ACERO INOXIDABLE
/
MX0F91
RACORES PARA PRENSAR PERFIL M DE ACERO INOXIDABLE
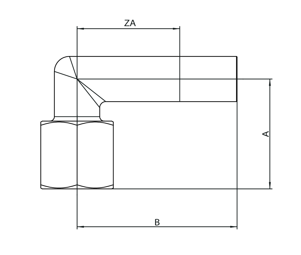
MX0F91
Codo mixto M/rosca hembra.
Especificaciones técnicas
d x Rp
BAG
MASTER BOX
CÓDIGO
A
B
ZA
15 x 1/2"
10
50
MX0F91A12015000
37
53
34
Aplicaciones
Medios y videos disponibles
Lista de precios
Catálogo
FRABOPRESS - Raccordi a pressare di Rubinetterie Bresciane - Fra.bo Division
Volver al catálogo