DE
IT
EN
FR
ES
Ein Unternehmen der Bonomi Group
Home
Kontakte
Downloads
Produkte
Nachhaltigkeit
IT
EN
DE
FR
ES
KATALOG
/
SISTEMA PRESSFITTING
/
FITTINGS AUS GALVANISIERTEM KOHLENSTOFFSTAHL MIT M-PROFIL
/
AC0243
FITTINGS AUS GALVANISIERTEM KOHLENSTOFFSTAHL MIT M-PROFIL
AC0243
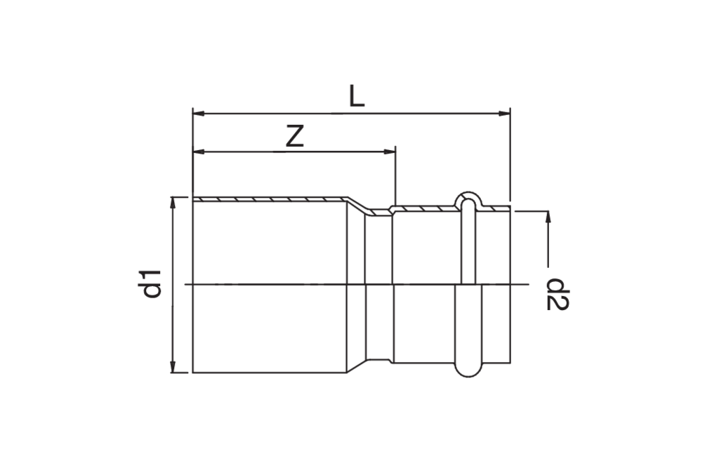
Reduzierstück I/A.
Technische Spezifikationen
d1 x d2
BAG
MASTER BOX
CODE
L
Z
76.1 x 42*
1
20
AC0243076042000
149,5
108,5
76.1 x 54*
1
5
AC0243076054000
152,5
107,5
88.9 x 54*
1
16
AC0243089054000
194
149
108 x 54*
1
8
AC0243108054000
260
215
*
V-Profil.
Anwendungen
Verfügbare Medien und Videos
Katalog
Preisliste
FRABOPRESS - Raccordi a pressare di Rubinetterie Bresciane - Fra.bo Division
Zurück zum Katalog
Verwandte Produkte / Zubehör
CM0243
Slide 1 of 1.